לשכת תכנון גלגלי שיניים

RDV66 – מומחיות ואמינות בתכנון גלגלי שיניים

אנו לשכת תכנון גלגלי שיניים ובית מלאכה לייצור בסדרות קטנות עם למעלה מ-40 שנות ניסיון. אנו מתכננים התאמות גלגלי שיניים נכונות, מפתחים כלים לייצורם, מייצרים אבות-טיפוס ומייצרים סדרות קטנות.

גלגל שיניים
גלגל שיניים

אודותינו

אנו לשכת תכנון גלגלי שיניים עם למעלה מ-40 שנות ניסיון, וכן בית מלאכה לייצור מנוסה.

דוגמאות לעבודתנו

מוצרים

1. תכנון כלי חיתוך שיניים לעיבוד גלגלי שיניים. כרסומי תולעת, כרסומי אצבע ודיסק, דולביאקים (לתהליכי יצירה), 
   משפרי שיניים, ראשי שיוף, מתלי גלגול רוטו-פלו, משיכות ומחורצות.
2. פיתוח חישובי ותכנוני של גלגלי שיניים גליליים עמידים ושקטים.
3. פיתוח חישובי ותכנוני של גלגלי שיניים חרוטיים בעלי שיניים מעוקלות בגיאומטריה מסוג גליסון.
4. פיתוח גיאומטריה לזוגות דיפרנציאל, הילוכי גל הרמוניים, הילוכי בורג, צימודי חזית, הילוכי תולעת, הילוכי מדף,
   גלגלי שרשרת (כולל לשרשראות פלטה שקטות), גלגלי עיתוי (להילוכי רצועה), חיבורי חריץ, גרוטורים ומנגנוני טרוכואיד
   (משאבות ומנועי שמן).
5. שחזור פרמטרים גיאומטריים של התאמות גלגלי שיניים (גלגלים ופירים) בהיעדר תיעוד.
6. ייצור כלי חיתוך שיניים לפי הזמנה: משיכות, מחורצות, כרסומי תולעת, דולביאקים, משפרי שיניים.
7. ייצור גלגלי שיניים לשרשראות פלטה שקטות, גלגלי גרוטור (מנועים, משאבות), תופי חריץ ופירים.
        

העבודות שלנו

דוגמה 1

נתונים ראשוניים: תוף דיסק מצמד ללא שרטוטים.

משימה: ייצור תוף עם שיניים חיצוניות זהות לדגימה. שינוי חריץ פנימי לסוג תיבת הילוכים אחר.

דוגמה — תוף

עבודות שבוצעו: פענוח גיאומטריית התוף, יצירת שרטוטים, יצירת מודל תלת-מימד, ייצור אב-טיפוס באמצעות EDM. יצירת שרטוט כרסום לחיתוך שיניים חיצוניות, ייצור הכרסום.

כרסום

תכנון חריץ, יצירת שרטוט משיכה, ייצור משיכה, תיקון טיפול תרמי.

משיכה

ייצור אצווה ניסיונית

אצווה ניסיונית

צור קשר

דוגמה 2

נתונים ראשוניים: תיבת הילוכים פולקסווגן. משימה: תכנון גלגל שיניים נוסף שהופך את כיוון המומנט.

כרסום - תמונה 1

עבודות שבוצעו: תכנון התאמת גלגלי שיניים וחישוב המרחק החדש בין המרכזים.

מרחק בין מרכזים - שרטוט

פענוח התאמת גלגלי שיניים, יצירת שרטוט גלגל שיניים:

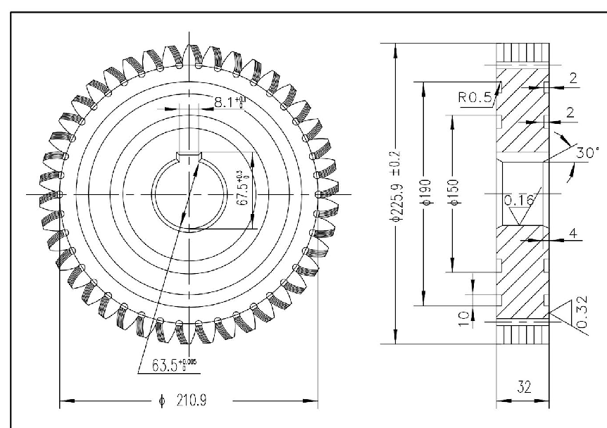
Z23 prof_2329 hhh1_A23

תכנון הכלים הנדרשים לייצור גלגלי שיניים (כרסום תולעת, משפר שיניים, משיכה), וייצור הכלים.

כרסום - תמונה 2 משפר שיניים - שרטוט משיכה

תכנון תהליך ייצור גלגלי שיניים וטיפול תרמי. תכנון וייצור כלים והתקנים נוספים: התקן לשיוף גלגלי שיניים אינבולוטיים.

ייצור גלגלי שיניים מוגמרים

גלגלי שיניים מוגמרים

צור קשר

דוגמה 3 – דיפרנציאלים בעלי חיכוך מוגבר

דיפרנציאלים בעלי חיכוך מוגבר, סוגים הן מסוג תולעי והן מסוג דיסקים. אנו מתכננים ומייצרים יחידות לכל סוג של רכב. הם מיועדים לשיפור ביצועי הרכב בתנאים קיצוניים כגון חול, קרח, שלג, בוץ וסביבות שטח.

נכון לעכשיו, דיפרנציאלים בעלי חיכוך מוגבר פותחו וזמינים עבור הרכבים הבאים:

Chevrolet Opel Daewoo Suzuki Grand Vitara
Peugeot Ford Mazda Renault
Toyota Subaru Volvo VAZ-21106
Chevrolet Captiva Great Wall Hover עבור דיפרנציאלים תולעיים בעלי חיכוך מוגבר, ניתן להגדיר מראש מהירויות תגובת התקשרות ומקדמי נעילה שונים.
דיפרנציאל דיסקים דיפרנציאל תולעי

צור קשר